
Monitoring by Control Technique - Wet Scrubber For Particulate Matter
In wet scrubbing processes, liquid or solid particles are removed from a gas stream by transferring them to a liquid. The liquid most commonly used is water. A wet scrubber's particulate collection efficiency is directly related to the amount of energy expended in contacting the gas stream with the scrubber liquid. Most wet scrubbing systems operate with particulate collection efficiencies over 95 percent. Wet scrubbers can also be used to remove acid gas; however, this section addresses only wet scrubbers for control of particulate matter. There are three energy usage levels for wet scrubbers. A low energy wet scrubber utilizes pressure drops less than 5 inches of water column and are capable of efficiently removing particles greater than about 5-10 micrometers in diameter. A medium energy scrubber has a pressure drop from 5 to 25 inches of water column and is capable of removing micrometer-sized particles, but is not very efficient on sub-micrometer particles. A high energy scrubber expends the most energy and has a pressure drop of 25 to over 100 inches of water column, which is necessary to remove sub-micrometer particles.
A spray tower scrubber is a low energy scrubber and is the simplest wet scrubber used for particulate control. It consists of an open vessel with one or more sets of spray nozzles to distribute the scrubbing liquid. Typically, the gas stream enters at the bottom and passes upward through the sprays. The particles are collected when they impact the droplets. This is referred to as counter-current operation. Spray towers can also be operated in a cross-current arrangement. In cross-current scrubbers, the gas flow is horizontal and the liquid sprays flow downward. Cross-current spray towers are not usually as efficient as counter-current units.

Spray Tower
The most common high energy wet scrubber is the venturi, although it can also be operated as a medium energy scrubber. In a fixed-throat venturi, the gas stream enters a converging section where it is accelerated toward the throat section. In the throat section, the high-velocity gas stream strikes liquid streams that are injected at right angles to the gas flow, shattering the liquid into small drops. The particles are collected when they impact the slower moving drops. Following the throat section, the gas stream passes through a diverging section that reduces the velocity.

Venturi Scrubber with Cyclone Separator and Mist Eliminator

Diagram of a Venturi Scrubber System
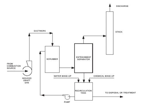
All wet scrubber designs incorporate mist eliminators or entrainment separators to remove entrained droplets. The process of contacting the gas and liquid streams results in entrained droplets, which contain the contaminants or particulate matter. The most common mist eliminators are chevrons, mesh pads, and cyclones. Chevrons are simply zig-zag baffles that cause the gas stream to turn several times as it passes through the mist eliminator. The liquid droplets are collected on the blades of the chevron and drain back into the scrubber. Mesh pads are made from interlaced fibers that serve as the collection area. A cyclone is typically used for the small droplets generated in a venturi scrubber. The gas stream exiting the venturi enters the bottom of a vertical cylinder tangentially. The droplets are removed by centrifugal force as the gas stream spirals upward to the outlet. Wet scrubbing systems are susceptible to several operating problems. The most common of these include inadequate liquid flow, liquid re-entrainment, poor gas-liquid contact, corrosion, and plugged nozzles, beds, or mist eliminators. In addition to the types of wet scrubbers described above, there are condensation scrubbers, impingement plate scrubbers, mechanically-aided scrubbers, and orifice scrubbers. Descriptions of these scrubbers can be found from EPA Fact Sheets. Other specific information about wet scrubbers can be found from the EPA Air Pollution Control Cost Manual, Section 6, Chapter 2 – Wet Scrubbers (Sixth Edition).
The primary indicators of wet scrubber performance are pressure differential, liquid flow rate, and scrubber liquid outlet concentration. The less significant indicators of gaseous pollutant control efficiency for wet scrubbers are gas flow rate, neutralizing chemical feed rate, and scrubber outlet gas temperature. Parameters to monitor as an alternative to scrubber liquid outlet concentration include scrubber liquid pH, scrubber liquid specific gravity, and scrubber makeup/blowdown rates. For systems that control gaseous streams with low particulate matter loadings, there is no advantage to monitoring the scrubbing liquid solids content. For more information, see the box Monitoring and the CAM Rule.
Costs
Costs of wet scrubbers are discussed in the EPA Air Pollution Control Cost Manual*, Section 6, Chapter 2 - Wet Scrubbers (Sixth Edition)(62 pp, 827 K, About PDF). Costs of monitoring systems, both Continuous Emission Monitors and parametric monitoring systems, are addressed in the EPA Air Pollution Control Cost Manual*, Section 2, Chapter 4 - Monitors.(42 pp, 542 K, About PDF) *EPA is currently updating the Control Cost Manual. The most recent versions are available on the Economic and Cost Analysis for Air Pollution Regulations website.
(This article is published for educational & learning purpose)